Es de desplazamiento positivo y se construye con engranajes
helicoidales.
Su cuerpo, tapa y prensa estopa están construidos en fundición
gris grano fino, engranajes y ejes en acero SAE 1045.
Se fabrica también en bronce antiácido, acero inoxidable y con
engranajes cementados dependiendo del producto a bombear, para
brindar durabilidad.
Posee CAMISAS fabricadas en fundición nodular que permite su
recambio de manera rápida, simple y sin la necesidad de
interrumpir el proceso de producción. Acortando, a la vez, los
tiempos de parada de planta, como así también extendiendo la
vida útil de la bomba.
Se accionan por medio de motores eléctricos con acoplamiento
mediante manchón semi elástico.
Estas bombas son reversibles, permitiendo invertir el sentido
de giro, con lo que la boca de aspiración, se transforma en
boca de impulsión y viceversa.
Es una bomba apta para inyectar combustible en calderas.
Recomendada para líquidos que, por su naturaleza, son
lubricantes ligeros. Puede bombear petróleo y sus derivados,
pinturas, aceites, grasas, dulces, jabones, detergentes,
shampoo, chocolate y ácido residual.
Accesorios opcionales: Sistema bypass, válvula de seguridad,
válvulas esféricas, tapa de calefacción, filtro con malla
protectora, carro de traslado.
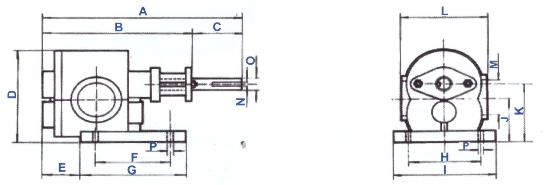
| A | B | C | D | E | F | G | H | I | J | K | L | M | N | O | P | KG | |
|---|---|---|---|---|---|---|---|---|---|---|---|---|---|---|---|---|---|
| ¾" | 255 | 185 | 70 | 140 | 45 | 55 | 90 | 95 | 130 | 75 | 100 | 100 | 24,1 | 6 | 18 | 12 | 8 |
| 1" | 30,3 | ||||||||||||||||
| 1¼" | 290 | 220 | 70 | 160 | 50 | 80 | 130 | 130 | 175 | 83 | 110 | 130 | 30,9 | 6 | 20 | 14 | 12 |
| 1½" | 44,8 | ||||||||||||||||
| 2" | 355 | 250 | 100 | 205 | 50 | 105 | 160 | 155 | 200 | 100 | 135 | 150 | 56,7 | 6 | 25 | 16 | 20 |
| 2½" | 390 | 300 | 100 | 205 | 100 | 105 | 160 | 155 | 200 | 100 | 135 | 150 | 72,3 | 6 | 25 | 16 | 26 |
| 3" | 490 | 380 | 110 | 230 | 140 | 110 | 165 | 170 | 220 | 130 | 165 | 175 | 84,9 | 8 | 30 | 18 | 38 |
| Fluido aceite SAE 30 | 1 BAR | 2 BAR | 4 BAR | 6 BAR | 8 BAR | 10 BAR | R.P.M | |
|---|---|---|---|---|---|---|---|---|
| ¾" | Motor HP | 1,5 | 1,5 | 2 | 2,5 | 3 | 4 | 1500 |
| Litros/h | 3000 | 3000 | 3000 | 3000 | 3000 | 3000 | ||
| 1" | Motor HP | 1,5 | 2 | 2 | 3 | 3 | 4 | 1500 |
| Litros/h | 3600 | 3600 | 3600 | 3600 | 3600 | 3600 | ||
| 1¼" | Motor HP | 3 | 4 | 4 | 5,5 | 5,5 | 7,5 | 1500 |
| Litros/h | 5600 | 5600 | 5600 | 5600 | 5600 | 5600 | ||
| 1½" | Motor HP | 3 | 4 | 5,5 | 5,5 | 7,5 | 10 | 1500 |
| Litros/h | 6500 | 6500 | 6500 | 6500 | 6500 | 6500 | ||
| 2" | Motor HP | 5,5 | 5,5 | 5,5 | 7,5 | 10 | 12,5 | 1500 |
| Litros/h | 10000 | 10000 | 10000 | 10000 | 10000 | 10000 | ||
| 2½" | Motor HP | 7,5 | 7,5 | 7,5 | 10 | 12,5 | 15 | 1500 |
| Litros/h | 13000 | 13000 | 13000 | 13000 | 13000 | 13000 | ||
| 3" | Motor HP | 10 | 10 | 12,5 | 15 | 15 | 20 | 1000 |
| Litros/h | 26000 | 26000 | 26000 | 26000 | 26000 | 26000 | ||
| 4" | Motor HP | 12,5 | 12,5 | 15 | 20 | 25 | 30 | 1500 |
| Litros/h | 35000 | 35000 | 35000 | 35000 | 35000 | 35000 |