Es de desplazamiento positivo.
Tiene un alto poder de aspiración, su presión de trabajo está
limitada a 5 ó 6 kg/ cm2.
Estas bombas son reversibles, permitiendo invertir el sentido
de giro cuando se accionan con motor eléctrico, con lo que la
boca de aspiración se transforma en boca de impulsión y
viceversa.
Se pueden accionar por medio de motores eléctrico o a
combustión.
Su cuerpo, tapa y prensa estopa están construidos en fundición
gris grano fino. Se fabrica también en bronce antiácido, acero
inoxidable, con engranajes cementados, dependiendo del
producto a bombear, para brindar durabilidad.
Es apta para líquidos que, por su naturaleza, son lubricantes
y viscosos, pero esencialmente limpios, sin sólidos en
suspensión. Además, puede bombear petróleo y sus derivados,
como solventes y naftas, pinturas, aceites, grasas, melazas,
mieles, dulces, jabones, detergentes, shampoo, chocolate y
ácido residual.
Accesorios opcionales: Sistema by pass, tapa de calefacción,
filtro con malla protectora, carro de traslado.
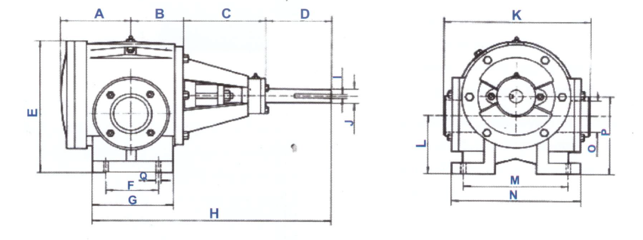
| A | B | C | D | E | F | G | H | I | J | K | L | M | N | O | P | Q | KG | |
|---|---|---|---|---|---|---|---|---|---|---|---|---|---|---|---|---|---|---|
| 1" | 295 | 60 | 120 | 75 | 215 | 65 | 100 | 350 | 6 | 20 | 240 | 100 | 150 | 195 | 30.3 | 115 | 12 | 28 |
| 1½" | 125 | 80 | 145 | 90 | 255 | 100 | 135 | 440 | 6 | 25 | 290 | 118 | 178 | 215 | 44.8 | 148 | 12 | 40 |
| 2" | 140 | 90 | 170 | 100 | 280 | 125 | 155 | 500 | 6 | 25 | 320 | 120 | 220 | 265 | 56.7 | 160 | 16 | 60 |
| 2½" | 160 | 90 | 170 | 100 | 280 | 125 | 155 | 500 | 6 | 25 | 320 | 120 | 220 | 265 | 72.3 | 160 | 16 | 63 |
| 3" | 165 | 100 | 190 | 120 | 350 | 138 | 195 | 575 | 8 | 35 | 375 | 150 | 257 | 320 | 84.9 | 195 | 18 | 105 |
| 4" | 170 | 120 | 190 | 130 | 400 | 140 | 195 | 610 | 8 | 40 | 400 | 160 | 315 | 365 | 110 | 225 | 18 | 143 |
| 5" | 250 | 135 | 270 | 130 | 445 | 190 | 240 | 785 | 10 | 50 | 490 | 185 | 308 | 356 | 136 | 250 | 19 | 230 |
| Fluido aceite SEA 30 | 1 BAR | 2 BAR | 3 BAR | 4 BAR | 5 BAR | 6 BAR | R.P.M | |
|---|---|---|---|---|---|---|---|---|
| 1" | Motor HP | 1,5 | 1,5 | 2 | 2 | 3 | 3 | 350 |
| Litros/h | 3000 | 3000 | 3000 | 3000 | 3000 | 3000 | ||
| 1½" | Motor HP | 2 | 2 | 3 | 3 | 3 | 3 | 320 |
| Litros/h | 4700 | 4700 | 4700 | 4700 | 4700 | 4700 | ||
| 2" | Motor HP | 2 | 2 | 3 | 4 | 5,5 | 5,5 | 300 |
| Litros/h | 10000 | 10000 | 10000 | 10000 | 10000 | 10000 | ||
| 2½" | Motor HP | 3 | 3 | 4 | 4 | 5,5 | 5,5 | 300 |
| Litros/h | 12000 | 12000 | 12000 | 12000 | 12000 | 12000 | ||
| 3" | Motor HP | 5,5 | 5,5 | 5,5 | 5,5 | 7,5 | 7,5 | 250 |
| Litros/h | 25000 | 25000 | 25000 | 25000 | 25000 | 25000 | ||
| 4" | Motor HP | 7,5 | 7,5 | 7,5 | 10 | 12,5 | 12,5 | 270 |
| Litros/h | 40000 | 40000 | 40000 | 40000 | 40000 | 40000 | ||
| 5" | Motor HP | 10 | 10 | 10 | 12,5 | 15 | 15 | 250 |
| Litros/h | 90000 | 90000 | 90000 | 90000 | 90000 | 90000 |